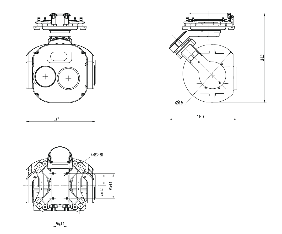
ОЛ-ГСП-135 — это двух спектральная комбинированная система для дневной и ночной разведки, которая имеет на борту тепловизионный, телевизионный канал и лазерный дальномер. Дальность действия обеспечивается тепловизионной камерой со светосильной оптикой и вариофокальной телевизионной системой с кратностью трансфокации 30х, что позволяет выполнять разведывательные задачи на дальние расстояния и идентифицировать цели. Кроме того, оснащена лазерным дальномером высокой точности для определения координат целей, что делает систему оптимальным для малого-среднего сегмента БПЛА.
Особенности:
- Тепловизор, телевизионная камера и лазерный дальномер
- Высокоточная стабилизация
- Комбинированное 30х + 5х увеличение
- Быстросъемный кронштейн
- Определение координат
- Запись фото и видео
- Дальнобойный лазерный дальномер

