ИК объектив ОЛ-ИК1-015-10 — радиометрический объектив, работающий в диапазоне 3-5 мкм и разработанный для использования с механическим модулятором и фотоприемником с чувствительной площадкой 1х1 мм. Высокое относительное отверстие 1:1 позволяет фокусировать максимальное количество энергии нагретого объекта на фотоприемник. Объектив имеет защитное сапфировое стекло для защиты от царапин и легкой очистки в полевых условиях.
ИК объектив 15 мм F/1.0 ОЛ-ИК1-015-10
Описание
Разработка инфракрасных (ИК) объективов — одно из наиболее непростых и наукоемких направлений в оптическом производстве. Инфракрасные объективы диапазона 3-5 мкм используются для формирования изображений объекта на охлаждаемых фотоприемниках, как матричных, так и одно- и несколько-элементных. Из-за особенностей спектра для различных датчиков и сигнализирующих систем применяются приемники одним элементом, например из КРТ, ИГА и т. д. В данном случае объектив называется радиометрическим, и предназначен прежде всего для собирания и переноса на приемник максимального количества энергии нагретого объекта.
Показателями качества подобного объектива являются прежде всего точность пятна фокусировки, общий коэффициент пропускания. Объектив ОЛ-ИКР1 является примером такой системы. При фокусном расстоянии 15 мм он имеет относительное отверстие 1:1. Объектив может использоваться как с модулирующим диском для формирования и обработки сигнала, так и с простой фиксированной диафрагмой, размером которой можно задавать пятно фокусировки.
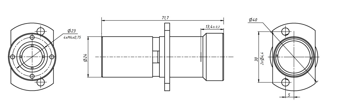
В стандартном исполнении это фоточувствительная площадка размером 1х1 мм. В исполнении для модулятора объектив имеет прорезь и фланец крепления корпуса, в обычном исполнении — простой корпус. Применяются подобные ИК объективы для измерения степени нагрева объектов, детекции прохождения нагретых объектов через поле зрения прибора, например для обнаружения факта перегрева букс колесных пар железнодорожных вагонов.
Технические характеристики
| Фокусное расстояние | 15 мм | 
| Спектральный диапазон | 3-5 мкм | 
| Относительное отверстие F/# | 1.0 | 
| Интегральное пропускание | 75% | 
| Линейное поле зрения | 1х1 мм | 
| Задний отрезок | 10,5 мм | 
| Рабочий отрезок | -13,4 мм | 
| Рабочая температура | От -40°C до +40°C | 
| Габаритные размеры | Длина 71.7 мм , Ø28 мм, фланец Ø40 mm | 
| Вес | 65 г | 

